Lichtwarner einbauen

Diskussionen rund um's Thema...
MenrathU Verified
Beiträge: 1495
Registriert: Do 2. Jan 2003, 01:53

Lichtwarner einbauen

Beitrag von MenrathU Verified »

Hallo,

ich möchte meiner Göttin einen sogenannten Lichtwafner spendieren, also ein Teil, das mich beim Öffnen der Tür an die eventuell nicht ausgeschalteten Scheinwerfer erinnert. Davon habe ich zwei Stück, sie stammen vom CX bzw. BX und sehen aus wie ein neuzeitliches Relais mit drei Anschlüssen, nämlich Masse, Scheinwerfer (oder Standlicht) und Innenbeleuchtung. Masse und Scheinwerfer/Standlicht stehen im Bereich von (letztem) Armaturenbrett und Lenksäule bequem zur Verfügung. Besteht hier eventuell auch Zugriff an die Versorgungsleitung der Innenbeleuchtung? Falls nein, wie verschaffe ich mir einen solchen mit möglichst wenig Aufwand?

Beste Grüße, Uwe
Beste Grüße, Uwe
Benutzeravatar
wettem Verified
Beiträge: 1298
Registriert: Fr 9. Nov 2007, 20:58

Re: Lichtwarner einbauen

Beitrag von wettem Verified »

hallo Uwe,
Auf diesem Bild habe ich Dir die beiden Kabel die zu den Türkontakten führen markiert.
Das kommt nicht weit vom Lichtschalter aus dem Kabelstrang heraus.
[attachment 11292 Unbenannt1.jpg]
Links läuft der grüne Draht hinter dem kleinen Absatz unter dem Luftkasten durch.

viele Grüße
Mike
Dateianhänge
Unbenannt 1.jpg
Uli
Beiträge: 294
Registriert: So 30. Jan 2005, 15:20

Re: Lichtwarner einbauen

Beitrag von Uli »

Hallo Uwe,
die Frage ist aber , welchen Anschluß das Relais braucht, Masse oder Plus der Innenraumleuchte.

Gruß Uli
Medi
Beiträge: 564
Registriert: Mi 18. Mai 2005, 16:24

Re: Lichtwarner einbauen

Beitrag von Medi »

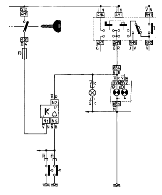
Zum Piepsen braucht‘s plus und minus. Plus kommt vom Lichtschalter, minus vom Türkontakt.
Mit einem integrierten Transistor wird das Piepsen verhindert wenn die Zündung an ist.

[attachment 11293 Lichtwarner.png]
Dateianhänge
Lichtwarner.png
Jürgen Verified
Beiträge: 1156
Registriert: Fr 24. Jan 2003, 18:29
Wohnort: Braunschweig

Re: Lichtwarner einbauen

Beitrag von Jürgen Verified »

Hallo Uwe,

das Innenlicht wird von den beiden Türkontakten und dem Schalter am Brett parallel gegen Masse geschaltet.
Du kannst also auch an den schwarzen Anschluss des Innenlichtschalters im Armaturenbrett gehen.
Gruß Jürgen
Antworten