Grüße an Herrn Schröder!
Urlaub in der Werkstatt?
Re: Urlaub in der Werkstatt?
Mönnich in Spohle sind DS-Experten - die Einzigen hier im Nordwesten - die restaurieren auch selber. Ich laß' da immer meinen TÜV machen.
Grüße an Herrn Schröder!
Grüße an Herrn Schröder!
Re: Urlaub in der Werkstatt?
Hallo zusammen, die Ersatzteile sind eingetroffen und bereit zum Einbau. Allerdings der elektronische Regler hat weniger Anschlüsse? Kann mir jemand eine Hilfestellung geben wie das aussieht, wenn ich den elektronischen Regler gegen den mechanischen austausche? Danke dafür!
Beste Grüße Pierre
Citroën DS 23ie Pallas 10/1972 vert argentè, 2CV6 Club 1983 schwarz
Citroën DS 23ie Pallas 10/1972 vert argentè, 2CV6 Club 1983 schwarz
- Claude-Michel
- Beiträge: 1644
- Registriert: Do 19. Okt 2006, 09:49
- Kontaktdaten:
Re: Urlaub in der Werkstatt?
Welchen denn?? Ein paar mehr Infos über was du machen möchtest wäre Hilfreich. Keine Ahnung was du mit was austauschen möchtest.BlackDuck hat geschrieben: ...der elektronische Regler hat weniger Anschlüsse?...wenn ich den elektronischen Regler gegen den mechanischen austausche?
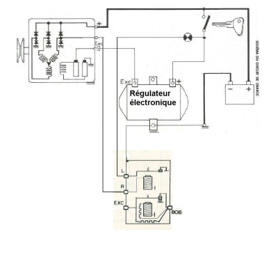
Original müsste es so sein:
[attachment 12937 AlternateurEApage12.jpg]
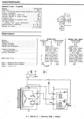
Mit elektronischem Regler könnte es so sein:
[attachment 12938 Mlange02.JPG]
Gruß
Claude-Michel
DSuper5, 2x Xantia break 1,8i 16V, Xantia break 2,0i 16V, C4 1,6i 16V coupé
Claude-Michel
DSuper5, 2x Xantia break 1,8i 16V, Xantia break 2,0i 16V, C4 1,6i 16V coupé
Re: Urlaub in der Werkstatt?
Macht das so Sinn?
Gruß
Andreas
Gruß
Andreas
Re: Urlaub in der Werkstatt?
Getauscht:
Zündkerzen (waren schwarz)
Zündspule
Motorlauf bescheiden und geht aus.
Denke ein Bauteil der D-jetronic hat ein Problem?
Leider habe ich die Literatur nicht dabei um weitere Diagnosen zu stellen.
Der Abschleppwagen wird dann wohl die Wahl sein...
Zündkerzen (waren schwarz)
Zündspule
Motorlauf bescheiden und geht aus.
Denke ein Bauteil der D-jetronic hat ein Problem?
Leider habe ich die Literatur nicht dabei um weitere Diagnosen zu stellen.
Der Abschleppwagen wird dann wohl die Wahl sein...
Beste Grüße Pierre
Citroën DS 23ie Pallas 10/1972 vert argentè, 2CV6 Club 1983 schwarz
Citroën DS 23ie Pallas 10/1972 vert argentè, 2CV6 Club 1983 schwarz
Re: Urlaub in der Werkstatt?
Dann war die Diagnose läuft auf 3 Zylindern wohl falsch.
Das hätte man mit den Hinweisen hier rausfinden können.
Oder den Fachmann Mönnich aufsuchen.
Was bedeutet denn „bescheiden“ genau.
Gruß
Andreas
Das hätte man mit den Hinweisen hier rausfinden können.
Oder den Fachmann Mönnich aufsuchen.
Was bedeutet denn „bescheiden“ genau.
Gruß
Andreas
Re: Urlaub in der Werkstatt?
Danke noch für das Schaltschema,
Beste Grüße Pierre
Citroën DS 23ie Pallas 10/1972 vert argentè, 2CV6 Club 1983 schwarz
Citroën DS 23ie Pallas 10/1972 vert argentè, 2CV6 Club 1983 schwarz
Re: Urlaub in der Werkstatt?
...kann auch die 123 betroffen sein? Sollten doch eigentlich den Temperaturen mittlerweile standhalten?!
Beste Grüße Pierre
Citroën DS 23ie Pallas 10/1972 vert argentè, 2CV6 Club 1983 schwarz
Citroën DS 23ie Pallas 10/1972 vert argentè, 2CV6 Club 1983 schwarz
Re: Urlaub in der Werkstatt?
BlackDuck hat geschrieben: ...kann auch die 123 betroffen sein? Sollten doch eigentlich den Temperaturen mittlerweile standhalten?!
Was bedeutet denn „bescheiden“ genau.
Beschreib dich bitte mal das Problem genau.
Ansonsten. Ja. Es kann alles sein.
Gruß
Andreas
- Claude-Michel
- Beiträge: 1644
- Registriert: Do 19. Okt 2006, 09:49
- Kontaktdaten:
Re: Urlaub in der Werkstatt?
Klemme die Erregung der Lichtmaschine ab. So lädt diese nicht mehr und der Motor wird nur über die Batterie versorgt. Ist es besser mit dem Motorlauf?
Gruß
Claude-Michel
DSuper5, 2x Xantia break 1,8i 16V, Xantia break 2,0i 16V, C4 1,6i 16V coupé
Claude-Michel
DSuper5, 2x Xantia break 1,8i 16V, Xantia break 2,0i 16V, C4 1,6i 16V coupé