Dichtigkeit Benzinpumpe

Diskussionen rund um's Thema...
Richard
Beiträge: 337
Registriert: Mo 10. Apr 2017, 11:31

Dichtigkeit Benzinpumpe

Beitrag von Richard »

Hallo zusammen,
ich habe mir einen Reparatursatz für den Druckregler gekauft und bin dabei ihn abzudichten.
Da ich den Druckregler grade ausgebaut habe, gibt es jetzt freie Sicht auf die Benzinpumpe.
Da bahnt sich schon das nächste Leck an.
Ich bin drauf und dran, der Madame den Beinamen "Inkontinenzia" zu geben. Wer kennt noch die Szene aus "das Leben des Brian"? https://youtu.be/fPaDlNPbDSM?si=G49A_5VZjW0hiPHF&t=216 :lol:

Jetzt zur Sache:
2019-07-29 15_03_02.png
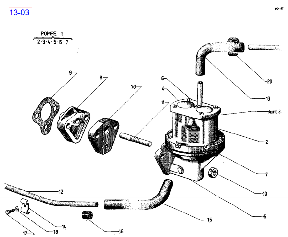
Es gibt das Teil #10 (ist das ein Abstandshalter?)
PHOTO_20240420_172517.jpg
Dieses Teil sieht irgendwie feucht aus, als hätte es sich vollgesaugt. Die Flüssigkeit sieht nicht nach Öl aus, eher nach Benzin. Ich frage mich nur, wie die Flüssigkeit dahin kommt. Die Pumpe saugt sehr gut an, deshalb glaube ich nicht, dass sie undicht ist.

Gibt es irgendwelche Vermutungen?

VG
Richard
Mein Projekt: DSpécial, ID19B, Zustand 4-5, Austauschmotor DY3, Modelljahr 1971
Projektziel: Zustand 2-3 erreichen, Basteln steht im Vordergrund, möglichst viel selber machen
Benutzeravatar
Thomas Held Verified
Beiträge: 5081
Registriert: Do 22. Jul 2004, 12:11

Re: Dichtigkeit Benzinpumpe

Beitrag von Thomas Held Verified »

Hallo Richard,

wo siehts du da ein Problem? Man sieht sogar noch sauber das Gruen des Motorblocks! Oder wird da etwas feucht, wenn der Motor laeuft?
Teil Nummer 10 ist eine Isolierung, um die Motorhitze etwas von der Benzinpumpe fernzuhalten.
Gruss
Gruß

Tom
Richard
Beiträge: 337
Registriert: Mo 10. Apr 2017, 11:31

Re: Dichtigkeit Benzinpumpe

Beitrag von Richard »

Thomas Held hat geschrieben: Mo 22. Apr 2024, 11:11 Hallo Richard,

wo siehts du da ein Problem? Man sieht sogar noch sauber das Gruen des Motorblocks! Oder wird da etwas feucht, wenn der Motor laeuft?
Teil Nummer 10 ist eine Isolierung, um die Motorhitze etwas von der Benzinpumpe fernzuhalten.
Gruss
Hallo Thomas, der Motor ist ja komplett überholt, er sollte deshalb noch halbwegs frisch aussehen. Ich sehe ein Problem, wenn ich eine Undichtigkeit im Benzinsystem habe. Ich frage mich nur wo hier Benzin herkommen soll. Oder es ist noch ein Rest vom LHM was da drüber gelaufen ist. Ich werde es mal gründlich reinigen und dann weiter beobachten.
VG
Richard
Mein Projekt: DSpécial, ID19B, Zustand 4-5, Austauschmotor DY3, Modelljahr 1971
Projektziel: Zustand 2-3 erreichen, Basteln steht im Vordergrund, möglichst viel selber machen
Benutzeravatar
Thomas Held Verified
Beiträge: 5081
Registriert: Do 22. Jul 2004, 12:11

Re: Dichtigkeit Benzinpumpe

Beitrag von Thomas Held Verified »

Hallo Richard,

also geht es nur um das 'feuchte' Aussehen dieses Zwischenstuecks? Die Teile sehen einfach inzwischen so aus.
Ich glaube nicht, dass da was undicht ist. An der Stelle, wo das Zwischenstueck eingebaut ist, kommt hoechstens Motoroel (von innen) da dran.
Gruss
Gruß

Tom
Hans-Uwe Fischer
Beiträge: 1840
Registriert: Do 30. Jan 2003, 08:27

Re: Dichtigkeit Benzinpumpe

Beitrag von Hans-Uwe Fischer »

Die Phenol-Hartgewebbeplatte (10) hat m.E.n. keine Abdichtfunktion. Das übernimmt das Röhrchen (11). So wie ich es auf der Zeichnung interpretiere, verbindet es Teil (8) mit Teil (6). Ich vermute hier eine Undichtigkeit.

Gibt es ein Foto von dem Röhrchen (11)?

huf
Benutzeravatar
Thomas Held Verified
Beiträge: 5081
Registriert: Do 22. Jul 2004, 12:11

Re: Dichtigkeit Benzinpumpe

Beitrag von Thomas Held Verified »

Das "Roehrchen" 11 ist der Stoessel zum Pumpenantrieb. Dieser wird vom Oel des Motors geschmiert. Die Phenol-Platte hat somit gegen Motoroel eine Abdichtfunktion. Beim EInbau ist die Platte beidseitig mit Dichtmasse zu bestreichen.
Gruss
Gruß

Tom
Hans-Uwe Fischer
Beiträge: 1840
Registriert: Do 30. Jan 2003, 08:27

Re: Dichtigkeit Benzinpumpe

Beitrag von Hans-Uwe Fischer »

Thomas Held hat geschrieben: Di 23. Apr 2024, 14:37 Das "Roehrchen" 11 ist der Stoessel zum Pumpenantrieb. Dieser wird vom Oel des Motors geschmiert. Die Phenol-Platte hat somit gegen Motoroel eine Abdichtfunktion. Beim EInbau ist die Platte beidseitig mit Dichtmasse zu bestreichen.
Gruss

Danke für die Richtigstellung. Da lag ich aber völlig daneben. :oops:

Grruß

huf
symphatique
Beiträge: 1657
Registriert: Do 15. Feb 2007, 23:51

Re: Dichtigkeit Benzinpumpe

Beitrag von symphatique »

Wenn Benzin dort austritt, riecht´s auch nach Benzin.
Lässt sich am warmen Motor gut erschnüffeln.
Dann heisst es Pumpe tauschen.

Kannst auch ein Küchenpapiertuch drumwickeln und dann daran riechen.

Bei Wechsel des Wärmeisolationsstücks die Dicke des gesamten Pakets incl. Dichtungen beachten. Hat Einfluss auf die Förderleistung der Pumpe.
"Das is´nich´kaputt! Das kann man reparieren!"
Carsten_SM
Beiträge: 1156
Registriert: Sa 5. Sep 2009, 20:51

Re: Dichtigkeit Benzinpumpe

Beitrag von Carsten_SM »

Moin,

Richtig dämlich finde ich in diesem Zusammenhang die Pumpe mit Glasdeckel an meinem Trac von 54. Haben frühe DS die auch ? Hat oben im Glasdeckel ein Loch und eine Zentralschraube, und saugt genau dort immer Luft an. Bei Jaguar haben sie einen Bügel übers Glas gemacht, das Glas hat dann nur die Dichtung rund untenrum, die der Trac auch hat- und das macht deutlich weniger Stress. Man wundert sich…

Carsten
MichaIN Verified
Beiträge: 1509
Registriert: Do 24. Mär 2005, 11:19

Re: Dichtigkeit Benzinpumpe

Beitrag von MichaIN Verified »

Hallo!

Die Glasdeckelpumpen mit Zentralschraube die ich kenne (wenn auch nicht in frühen DS) Autos hatten eigentlich einen Dichtungsring dadrunter, die Schraube abdichtet.

Gruß Michael
Antworten