3083-T

Diskussionen rund um's Thema...
andreask69
Beiträge: 142
Registriert: Sa 21. Apr 2007, 23:00

3083-T

Beitrag von andreask69 »

Hallo,
ich suche eine Zeichnung von dem Motorständer 3083-T. In den Reparaturleitfäden habe ich nichts gefunden.
Vielleicht hat jemand schon sowas in seinen Unterlagen.
Danke!
Andreas Köhler
M. Ferchaud
Beiträge: 2164
Registriert: Mi 13. Jan 2010, 21:45

Re: 3083-T

Beitrag von M. Ferchaud »

Hi Andreas,

hier ist es abgebildet:
IMG_8194.jpeg
Viele Grüße
Henning
M. Ferchaud
Beiträge: 2164
Registriert: Mi 13. Jan 2010, 21:45

Re: 3083-T

Beitrag von M. Ferchaud »

Hier noch zwei weitere Fotos:
IMG_8195.jpeg
Hans-Uwe Fischer
Beiträge: 1840
Registriert: Do 30. Jan 2003, 08:27

Re: 3083-T

Beitrag von Hans-Uwe Fischer »

.
Wollte ich auch mal basteln.
.
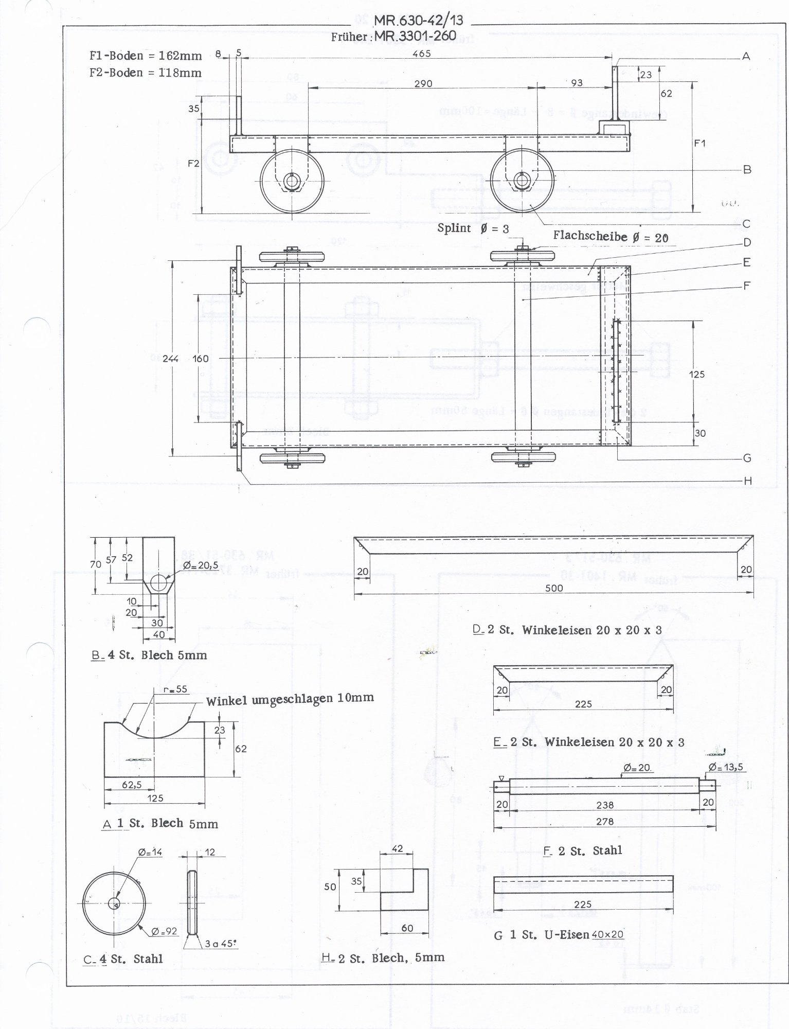
MR.630-42 13.jpg

huf
.
Antworten