Schaltplan 23 iE Schalter spät Warnblinkanlage

Diskussionen rund um's Thema...
Benutzeravatar
Claude-Michel
Beiträge: 1644
Registriert: Do 19. Okt 2006, 09:49
Kontaktdaten:

Re: Schaltplan 23 iE Schalter spät Warnblinkanlage

Beitrag von Claude-Michel »

Dann ist wahrscheinlich dein brauner Stecker der, der an das Kabel gehört was zum Sicherheitsventil geht.
Gruß
Claude-Michel
DSuper5, 2x Xantia break 1,8i 16V, Xantia break 2,0i 16V, C4 1,6i 16V coupé
Carsten_SM
Beiträge: 1156
Registriert: Sa 5. Sep 2009, 20:51

Re: Schaltplan 23 iE Schalter spät Warnblinkanlage

Beitrag von Carsten_SM »

Irgendwie hab ich immer mehr Fragezeichen im Kopf.

Einige Fotos vom Zerlegen hab ich noch. Da war kein Stecker an diesem grauen Relais mit den 2 Zungen. Das lag da lose drin, leicht angeklebt am Bitumen.

Vermutlich war das schon verbastelt ? Als ich die Kiste bekam ?

Carsten
Benutzeravatar
Claude-Michel
Beiträge: 1644
Registriert: Do 19. Okt 2006, 09:49
Kontaktdaten:

Re: Schaltplan 23 iE Schalter spät Warnblinkanlage

Beitrag von Claude-Michel »

Ich kann dir nicht sagen, ob dein Relais angeschlossen war oder nicht.
Ich wollte dir nur mitteilen, daß das Blinkrelais nur an zwei Kontakte angeschlossen ist da du Zweifel hattest und einen dritten Kontakt gesucht hast.
Gruß
Claude-Michel
DSuper5, 2x Xantia break 1,8i 16V, Xantia break 2,0i 16V, C4 1,6i 16V coupé
Carsten_SM
Beiträge: 1156
Registriert: Sa 5. Sep 2009, 20:51

Re: Schaltplan 23 iE Schalter spät Warnblinkanlage

Beitrag von Carsten_SM »

Moin,

Ok, also was muss ich jetzt tun: ich muss ein Kabel finden, schwarz, mit Schaltplus ? Das kommt an das 2pol Relais. Und ein zweites Kabel, das seine Farbe von Mauve = rosa auf rot ändert. Das kommt auch ans 2er Relais und geht dann als Rot an das 3er Relais. Das versuche ich gern.

Wo bzw wie finde ich das Kabel, das vom Hydraulikschalter kommt ?

Schöne Grüße,

Carsten
Doctor-D
Beiträge: 1282
Registriert: Mi 18. Apr 2007, 10:53

Re: Schaltplan 23 iE Schalter spät Warnblinkanlage

Beitrag von Doctor-D »

Das alte Relais ist ein originales Blinkrelais, defekt.Meistens wurde einfach ein neues an die Kabel angeklemmt und weiter gehts.
Warnblinkanlage gelb und grün am Schalter, malve und schwarz an das Relais.Das geschaltete Plus vom Autobaum bleibt abgezogen.
Die Blinker funktionieren ohne Zündung!Immer!
Am Huckepackbaum für die Warnblinke ist eine Schrauböse, die hängt am Plastik M6 Bolzen an der Spritzwand, links neben der Armaturenbeleuchtung,
das grüne, lange Leuchtdingen.
Anders sind die 75er mit dem 9?poligen Schalter mit dem abgerundeten Knopf.Die haben Blinker, die von der Zündung abhängig sind.
Der braune Stecker.Dick oder dünn?Dünn kann von der handschuhfachbeleuchtung sein.LHM Druck ist ein Dreierbündel mit dem Bremslicht zusammen, auch etwa unter der Masseverschraubung M5 , da ist ein Loch an dem horizontalen Blech, fahrerseitig, direkt an der Motorbucht.Da läuft
der Baum vom Bremspilz unter dem Teppich hoch-Rechts ist das auch für die Beleuchtung von der Heizungsbedienung.
Ganz links ist auch noch dick und braun für das Zündschloss, Anlasskontakt.
Ich habe gerade einen neuen Baum eingebaut und kann es nur raten, der alte war dahin, vermurkst und mehrfach gebrückt durch irgendein Pfusch im
hinteren Baum.Kaum zieht man einen Stecker ab, funktioniert nachher nix mehr, weil die Fittings total verfault sind.No bueno.
In der Zeit, die neu anzukrimpen, liegt das Brett schon auf dem Tisch und dann ist der neue Baum easy zu montieren und andere Defizite zu beseitigen.
Benutzeravatar
Claude-Michel
Beiträge: 1644
Registriert: Do 19. Okt 2006, 09:49
Kontaktdaten:

Re: Schaltplan 23 iE Schalter spät Warnblinkanlage

Beitrag von Claude-Michel »

Carsten_SM hat geschrieben: Sa 20. Dez 2025, 23:09 Wo bzw wie finde ich das Kabel, das vom Hydraulikschalter kommt ?
Hallo Carsten,
da ich aus dem Kopf berichtete habe ich mich etwas vertan. Hier die Korrektur.

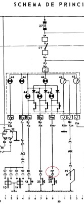
Da deine rote Hydraulikdrucklampe nicht an geht, sende ich dir der Teil des Schaltplanes mit dem braunen Stecker am Sicherheitsventil der zur Anzeigetafel geht mit einem flachen Stecker. Vieleicht ist es einer von den wo du nicht weißt wo sie hingehören:

schéma de principe.jpg

Dieser Flachstecker ist zu finden im grünen Kreis:

schéma d'implentation.jpg

Es gibt noch einen zweiten braunen Stecker, im roten Kreis. Wenn ich es noch richtig weiß ist da nichts angeschlossen.

Damit du die Anzeigetafel richtig anschließen kannst, hier die Steckerbelegung:

DS_ID-Armaturenbrett_letzte_Serie-Belegung.jpg

Jetzt hast du hoffentlich material genug um etwas weiter zu kommen. :D
Zuletzt geändert von Claude-Michel am So 21. Dez 2025, 11:54, insgesamt 4-mal geändert.
Gruß
Claude-Michel
DSuper5, 2x Xantia break 1,8i 16V, Xantia break 2,0i 16V, C4 1,6i 16V coupé
Jürgen Verified
Beiträge: 1156
Registriert: Fr 24. Jan 2003, 18:29
Wohnort: Braunschweig

Re: Schaltplan 23 iE Schalter spät Warnblinkanlage

Beitrag von Jürgen Verified »

Hallo Carsten,

Frank hat die Lage ja schon ausführlich erklärt.
Hier als Ergänzung noch ein Bild des Warnblink-Kabelbäumchens:
Warnblinkkabelbaum.jpg
der nackte rot markierte Flachstecker kommt in das freie Fach des weissen 6er Steckergehäuses zum Kombi und versorgt die rote Kontrolllampe unten in der Mitte.
Von Mj. 70 bis 72 hat der Schalter die 4 Pfeile, für die Mje 73 und 74 hat er dann das Dreieck.
Und hier sind noch die Schaltpläne für die deutsche Version, das Kabelbäumchen für die WBA ist mit "D" markiert:
Reparaturhandbuch 583 Band 1 Schatpl_D1.pdf
(1.78 MiB) 51-mal heruntergeladen
Reparaturhandbuch 583 Band 1 Schatpl_D2.pdf
(2.6 MiB) 48-mal heruntergeladen
Gruß Jürgen
Carsten_SM
Beiträge: 1156
Registriert: Sa 5. Sep 2009, 20:51

Re: Schaltplan 23 iE Schalter spät Warnblinkanlage

Beitrag von Carsten_SM »

Moin zusammen,

Danke ! Für den Support !

Im Moment steht Madame auf einer Hebebühne, drunter steht mein Smart, davor der Unimog, und jetzt ist auch noch Weihnachten…

Es wird etwas dauern. Ich vermute, im Januar kann ich dann an der DS weitermachen- vielleicht kriege ich morgen noch Fotos hin, hochklettern und reinknipsen sollte gehen.

Ich nehm mir aber den 3er Cluster mit heim. Saubermachen, Birnchen prüfen. Wirklich komisch ist, das die Leuchte mit Halter für die Lima fehlt (rechts außen waagerecht). Ich vermute, das deswegen die Kiste instand ausgeht, wenn ich die Batterie abnehme. Keine Ladestrom- Erregung… ich nehm das Teil aus einem alten SM Brett raus, die sollten ident sein, SM Bretter hab ich noch.

Schöne Grüße,

Carsten
Benutzeravatar
Claude-Michel
Beiträge: 1644
Registriert: Do 19. Okt 2006, 09:49
Kontaktdaten:

Re: Schaltplan 23 iE Schalter spät Warnblinkanlage

Beitrag von Claude-Michel »

Carsten_SM hat geschrieben: So 21. Dez 2025, 16:58 Ich nehm mir aber den 3er Cluster mit heim.
Da meinst du das Anzeigefeld?
Carsten_SM hat geschrieben: So 21. Dez 2025, 16:58 Wirklich komisch ist, das die Leuchte mit Halter für die Lima fehlt (rechts außen waagerecht).
Du meinst: links außen waagerecht?
Carsten_SM hat geschrieben: So 21. Dez 2025, 16:58 Ich vermute, das deswegen die Kiste instand ausgeht, wenn ich die Batterie abnehme. Keine Ladestrom- Erregung…
Wenn deine DS einen mechanischen Regler hat, dann nicht. Die Ladekontrolleuchte wird über den Kontakt eines Relais versorgt. Der Erregerstrom geht nicht über diese Leuchte.
Wahrscheinlich funktioniert dein Regler nicht oder er is falsch angeschlossen.

Régulateur mécanique.jpg
Gruß
Claude-Michel
DSuper5, 2x Xantia break 1,8i 16V, Xantia break 2,0i 16V, C4 1,6i 16V coupé
Benutzeravatar
Thomas Held Verified
Beiträge: 5081
Registriert: Do 22. Jul 2004, 12:11

Re: Schaltplan 23 iE Schalter spät Warnblinkanlage

Beitrag von Thomas Held Verified »

Doctor-D hat geschrieben: Sa 20. Dez 2025, 23:47 Die Blinker funktionieren ohne Zündung!Immer!
Nee!

Image 21.12.25 at 20.05.png
Gruß

Tom
Antworten